Featured
- Get link
- X
- Other Apps
[16+] Cooling Fan Wiring Diagram, 3 Relay Cooling Fan Wiring - - - > Question | Cooling Fan, Relay, This
Cooling Fan Wiring Diagram Honda Wiring Civic System Diagram Fan 1997 Cooling Diagrams Circuit 2001 Pdf Switch
Fan relay electric kit. Hyundai accent box 2006 diagram lc 1999 ii fuse fuses relays. Diagram volvo 240 wiring 1989 engine electrical relay 1990 circuit 1996 1992 fuse carfusebox
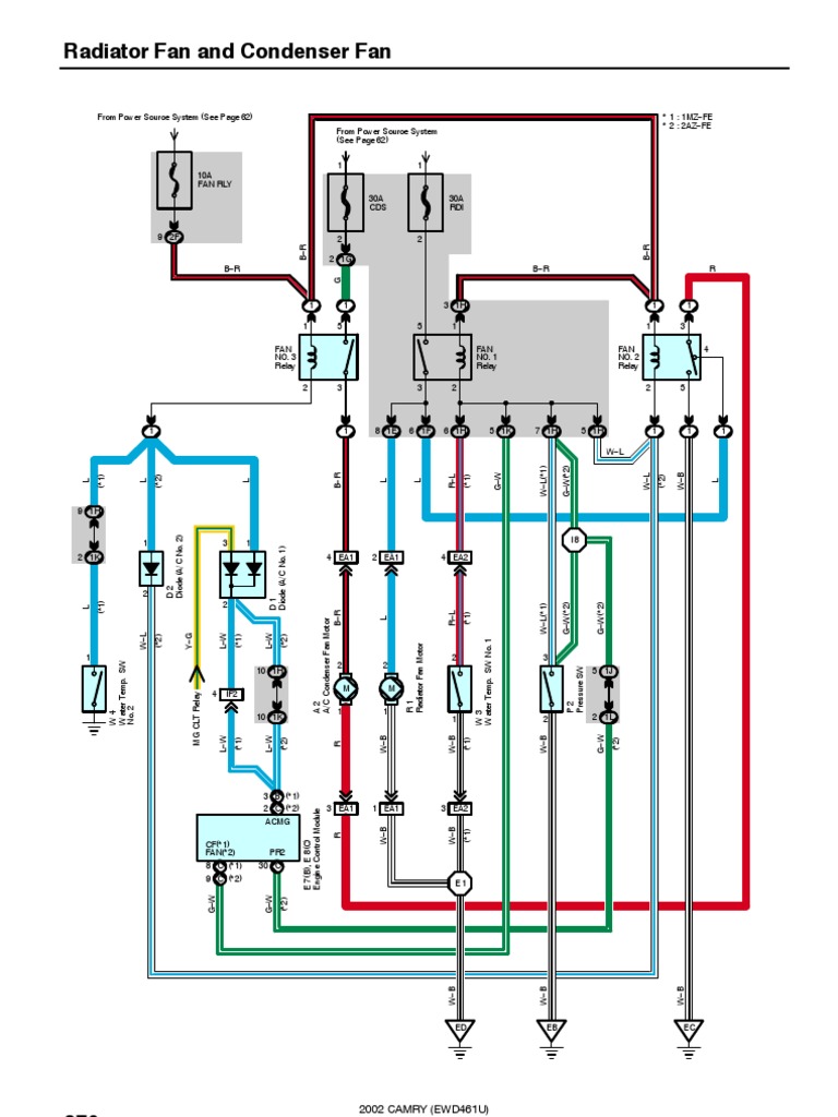
Cooling Fan Wiring Diagram
Download PDF
- Get link
- X
- Other Apps
Popular Posts
The Exam [Full Movie]◃: The Biology Exam Film
- Get link
- X
- Other Apps












Comments
Post a Comment